504/7D壓力控制器
發布時間:2013-05-11 06:04:22 點擊:1191

產品詳細:
簡介:
504/7D壓力控制器采用帶泄油口的活塞式傳感器,可用于中性液壓油等介質。504/7D壓力控制器的設定值可調,調節范圍0.3~40MPa。
特點:
504/7D壓力控制器特別適用于液壓設備。
主要技術性能:
規格:切換差不可調
規格:切換差可調
規格:切換差不可調(小切換差)
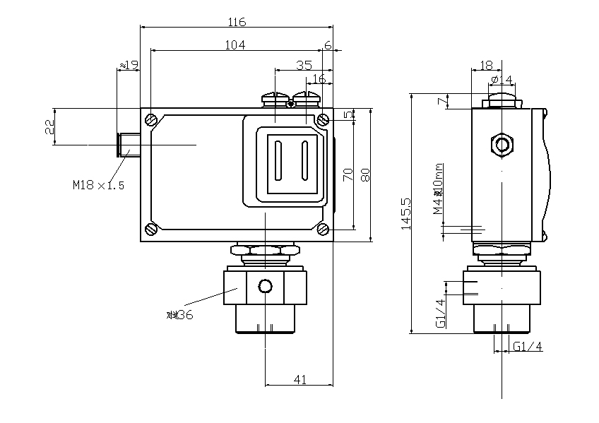
尺寸圖
01
下一篇:505/7D壓力控制器


簡介:
504/7D壓力控制器采用帶泄油口的活塞式傳感器,可用于中性液壓油等介質。504/7D壓力控制器的設定值可調,調節范圍0.3~40MPa。
特點:
504/7D壓力控制器特別適用于液壓設備。
主要技術性能:
規格:切換差不可調
規格:切換差可調
規格:切換差不可調(小切換差)
尺寸圖
01
下一篇:505/7D壓力控制器