505/7D壓力控制器
發布時間:2013-05-11 06:09:31 點擊:1205

簡介:
500/7D防爆壓力開關采用膜片式傳感器,可用于空氣等中性氣體和水、液壓油、潤滑油、輕燃油等液體介質。500/7D防爆壓力開關的設定值可調,調節范圍0~2.5MPa。
特點:
500/7D防爆壓力開關控制靈敏度高。
主要技術性能:
規格:500/7D切換差不可調
切換差可調
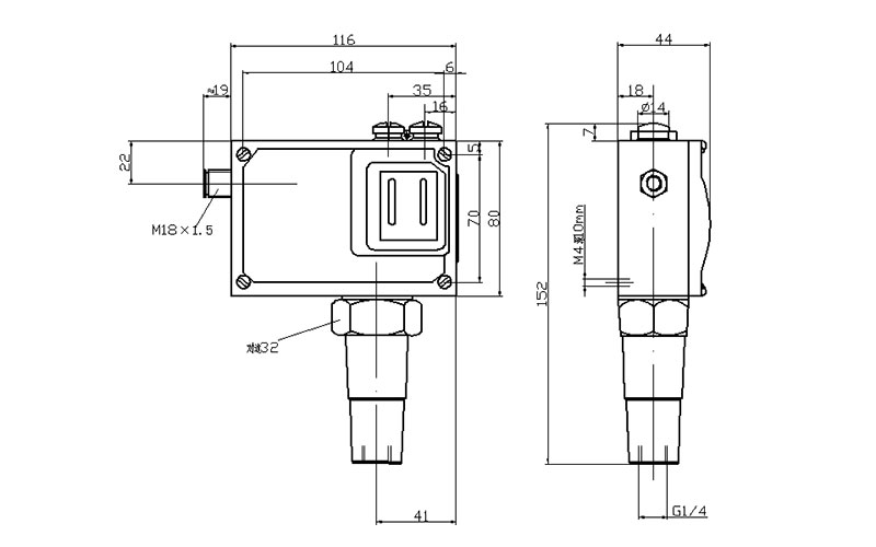
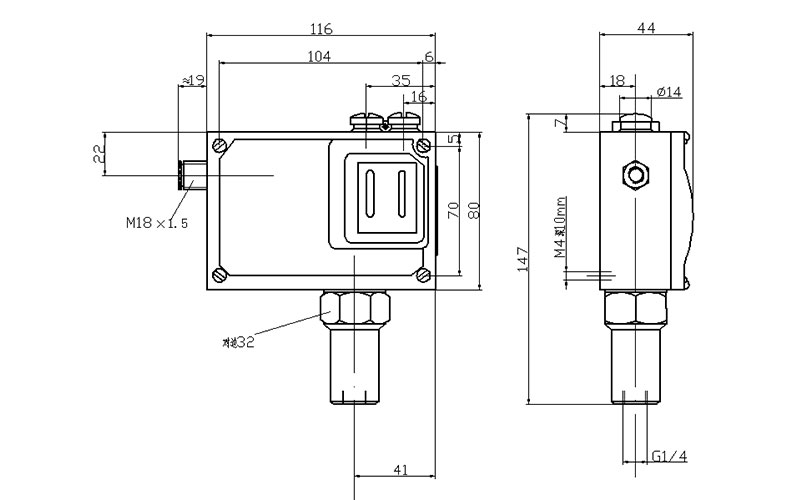
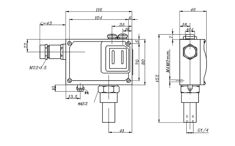
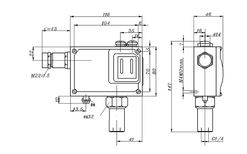
尺寸圖
01
02
03
04
下一篇:511/7D壓力控制器


簡介:
500/7D防爆壓力開關采用膜片式傳感器,可用于空氣等中性氣體和水、液壓油、潤滑油、輕燃油等液體介質。500/7D防爆壓力開關的設定值可調,調節范圍0~2.5MPa。
特點:
500/7D防爆壓力開關控制靈敏度高。
主要技術性能:
規格:500/7D切換差不可調
切換差可調
尺寸圖
01
02
03
04
下一篇:511/7D壓力控制器