512/9D壓力控制器
發布時間:2015-01-29 07:33:04 點擊:1072

產品詳細:
簡介:
512/9D壓力控制器采用彈簧管式傳感器,可用于腐蝕性氣體和液體介質,512/9D壓力控制器的設定值可調,調節范圍1 ~ 40MPa。
特點:
512/9D壓力控制器壓力控制范圍大、控制精度高、切換差小、二組微動開關的切換值可分別設定、傳感器適用腐蝕性介質(氣體或液體)。
主要技術性能:
規格:切換差不可調
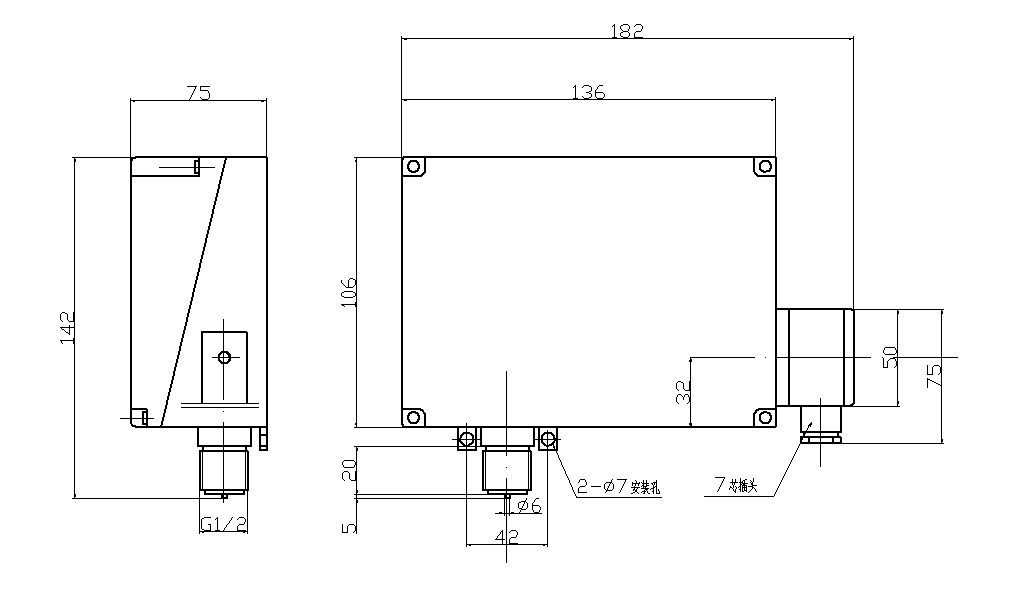
尺寸圖
下一篇:502/7D壓力控制器


簡介:
512/9D壓力控制器采用彈簧管式傳感器,可用于腐蝕性氣體和液體介質,512/9D壓力控制器的設定值可調,調節范圍1 ~ 40MPa。
特點:
512/9D壓力控制器壓力控制范圍大、控制精度高、切換差小、二組微動開關的切換值可分別設定、傳感器適用腐蝕性介質(氣體或液體)。
主要技術性能:
規格:切換差不可調
尺寸圖
下一篇:502/7D壓力控制器