502/7D壓力控制器
發布時間:2015-01-29 08:06:37 點擊:1609

簡介:
502/7D壓力控制器采用波紋管式的傳感器,可用于空氣、氣體、水蒸汽等中性氣體和水、制冷劑、油等液體介質。502/7D壓力控制器的設定值可調,調節范圍-0.1~2.5MPa。
特點:
502/7D壓力控制器可用于真空。有特殊要求的,可另行設計調節范圍-0.1~6.3MPa。
主要技術性能:

規格:切換差不可調

規格:切換差可調

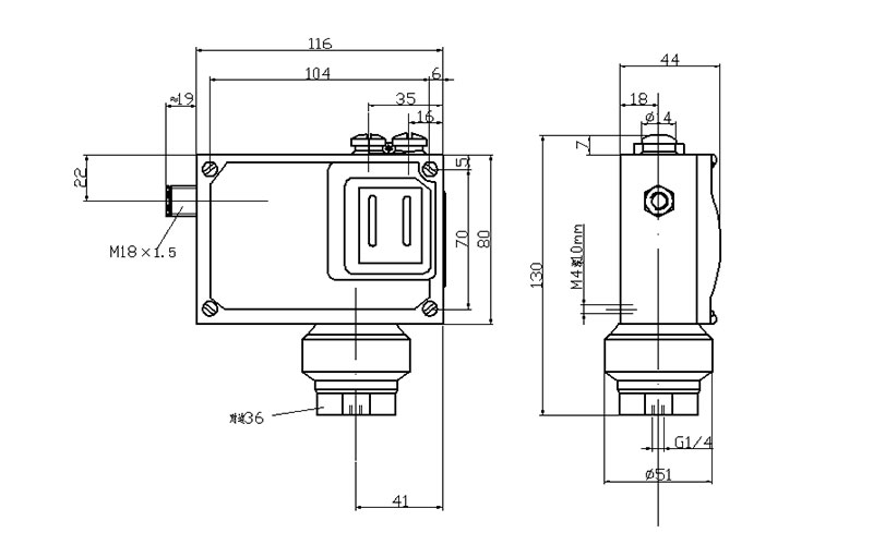
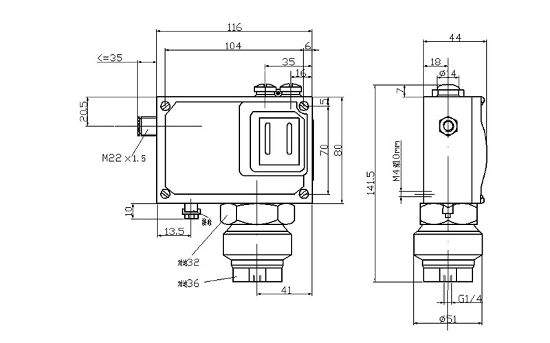
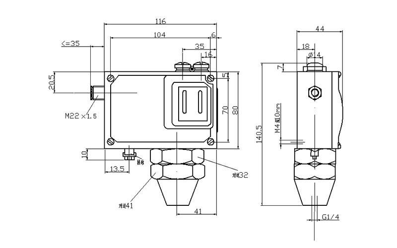
尺寸圖
01

02

03

04

05

06
下一篇:TLP2壓力控制器
