501/7DZ雙觸點壓力控制器
發布時間:2015-01-29 05:29:55 點擊:1469

產品詳細:
簡介:
501/7DZ雙觸點壓力控制器采用膜片式的傳感器,可用于中性氣體、液體介質,部分規格可用于腐蝕性介質。501/7DZ雙觸點壓力控制器設定值可調,調節范圍0~1MPa。
主要技術性能:
規格:501/7DZ雙觸點壓力控制器切換差不可調
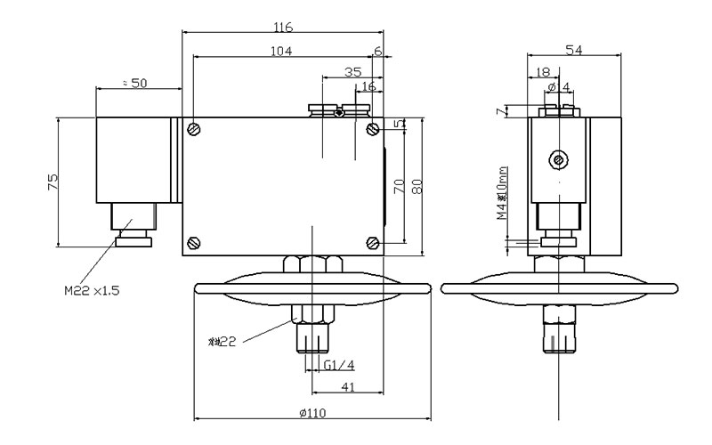
尺寸圖
01
02
下一篇:502/7DZ雙觸點壓力控制器


簡介:
501/7DZ雙觸點壓力控制器采用膜片式的傳感器,可用于中性氣體、液體介質,部分規格可用于腐蝕性介質。501/7DZ雙觸點壓力控制器設定值可調,調節范圍0~1MPa。
主要技術性能:
規格:501/7DZ雙觸點壓力控制器切換差不可調
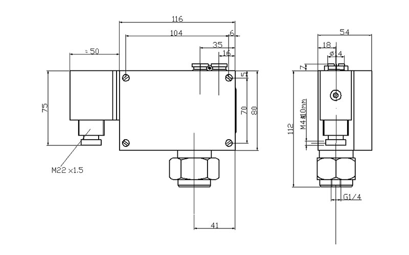
尺寸圖
01
02
下一篇:502/7DZ雙觸點壓力控制器