YTK-18/03壓力控制器
發布時間:2013-06-26 01:53:49 點擊:1112

產品詳細:
簡介:
YTK-18/03壓力控制器適用于測量無爆炸危險的流體介質的壓力并進行位式(一位式或兩位式)控制。控制器是借助彈性元件的作用以驅動微動開關工作的壓力控制儀表。控制器具有結構合理、動作準確、使用可靠、開閉頻次高、抗振性好和觸點容量大等特點。控制器按被測(控)對象的各異,分別制成有壓力指示和無壓力指示(各有普通型和耐蝕型)等多種類型。兩位式控制的控制器設有可供調節切換差的裝置,以使被測(控)介質的上、下切換值調至合適的控壓范圍內。此外,控制器還設有信號指示燈,以使控制電路在斷開或接通的同時發出燈光信號。
主要技術性能:

型式及壓力范圍:

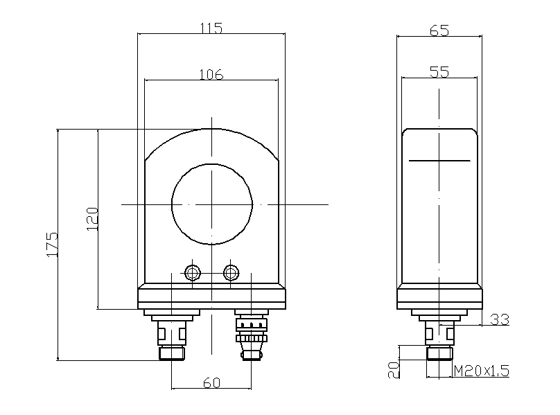
尺寸圖

下一篇:YTK-18H壓力控制器
